材料介紹

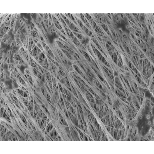
ePTFE防水膜

ePTFE防水膜

防水膜物性
詳細介紹

ePTFE 防水膜 介紹

耐腐蝕

能夠承受除了熔融的鹼金屬、氟化介質以及熔融強鹼之外的所有強酸(包括氟銻酸、王水)、強鹼、強氧化劑、還原劑和各種有機溶劑的作用。

絕緣性

不受環境及頻率的影響,電阻率可達1018歐姆·厘米,介質損耗小,擊穿電壓高。

耐候性

耐輻照性能和較低的滲透性:長期暴露於大氣中,表面及性能保持不變。

不燃性

限氧指數在90以下。

表面不黏性

已知的固體材料都不能黏附在表面上,是一種表面能最小的固體材料

耐高低溫

對溫度的影響變化不大,溫域範圍廣,可使用溫度 -190~260 ℃。


PTFE物理性質

聚四氟乙烯在室溫下為白色固體,密度約為2.2克/立方公分。根據杜邦公司的記載,其熔點為327℃(620.6℉),但於260℃(500℉)以上就會變質。它的摩擦係數為小於或等於0.1,是已知摩擦係數最小的固體物質。聚四氟乙烯的機械性質較軟。具有非常低的表面能。

PTFE化學性質

耐腐蝕性:能夠承受除了熔融的鹼金屬、氟化介質以及熔融強鹼之外的所有強酸(包括氟銻酸、王水)、強鹼、強氧化劑、還原劑和各種有機溶劑的作用。

絕緣性:不受環境及頻率的影響,電阻率可達1018歐姆·厘米,介質損耗小,擊穿電壓高。

耐高低溫性:對溫度的影響變化不大,溫域範圍廣,可使用溫度 -190~260 ℃。

自潤滑性:具有塑料中最小的摩擦係數,是理想的無油潤滑材料。

表面不黏性:已知的固體材料都不能黏附在表面上,是一種表面能最小的固體材料。

耐大氣老化性,耐輻照性能和較低的滲透性:長期暴露於大氣中,表面及性能保持不變。

不燃性:限氧指數在90以下。

PTFE毒性

聚四氟乙烯在常態下是無毒的,但當聚四氟乙烯烹調器具在溫度達到500℉(260℃)之後便會開始變質,並且在660℉(350℃)之上開始分解。杜邦公司在《有關使用杜邦特富龍不黏塗層炊具的重要知識》中說明惰性的聚四氟乙烯在溫度達到260℃後會發生化學變化。比較而言,在烹煮油、脂與奶油時,溫度到達約392℉(200℃)將產生燒焦與煙,而肉通常在400℉–450℉(200℃–230℃)之間燒焦,然而若將空的烹調器具放置於爐火上,一不經意,便很容易超出這個溫度。在1959年(在美國食品及藥物管理局批准食物調理器具物質之前)的一份研究中顯示,塗層鍋在乾燒(沒有食物在鍋內)時所產生的氣體中的毒性,較烹煮一般食用油所產生的氣體中的毒性低。

以上資訊引用維基百科(聚四氟乙烯) 

https://zh.wikipedia.org/wiki/%E8%81%9A%E5%9B%9B%E6%B0%9F%E4%B9%99%E7%83%AF